Hallo Leute,
wie im Werkstatthandbuchthread beschrieben muss ich leider ein paar Teile an meinem Lancia Voyager 2.8 130kw BJ 2013 ersetzen. Dank eurer Hilfe konnte ich die Ersatzteilnummern finden:
1) Für den Turboschlauch 04809883AB konnte ich auf Ebay ein günstiges Ersatzteil finden.#mce_temp_url#
Spricht etwas dagegen diesen Schlauch zu nehmen. Das Original kostet mind. das 4fache.
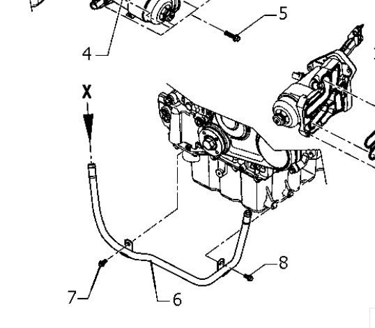
2) Das Rohr mit der Nr 6 (68031564AB) konnte ich nur bei amerikanischen Shops finden. Dort kostet es ca 100$, wobei der Versand ca 70 $ kostet. Habt ihr eine Idee bei welchem Händler in Europa ich dieses Rohr kaufen könnte? Das Orinigalteil kostet 300-400€
3) der rechte hintere Bremssattel muss ersetzt werden. Dieser hat die Teilenummer 68144206AB. Teilweise werden Bremssättel mit der Teilenummer 68144206AC angeboten. Gibt es da einen Unterschied zwischen AB und AC?
Danke & LG Wugi

